CS63
-
亮點
-
參數
-
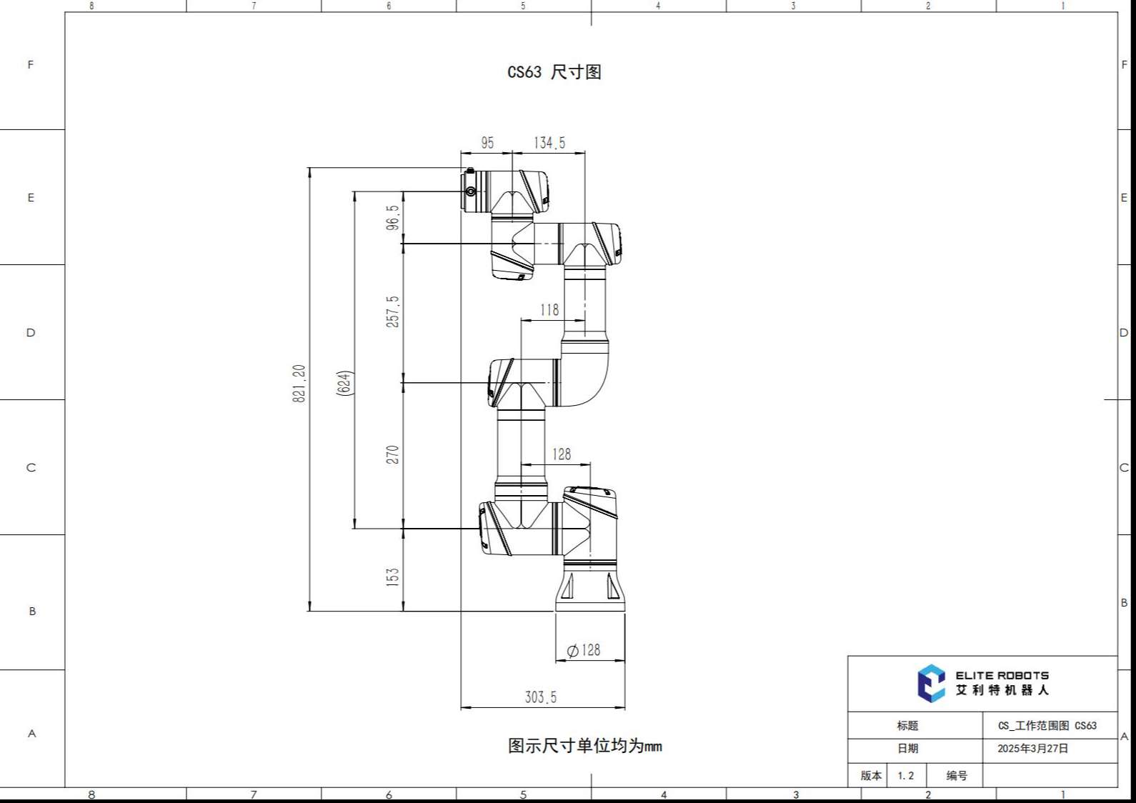
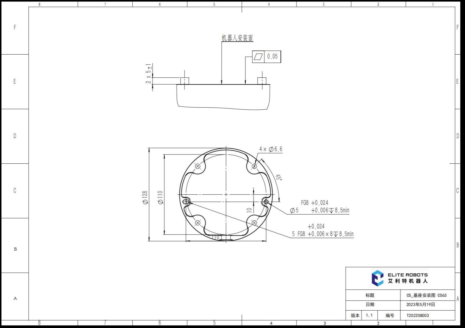
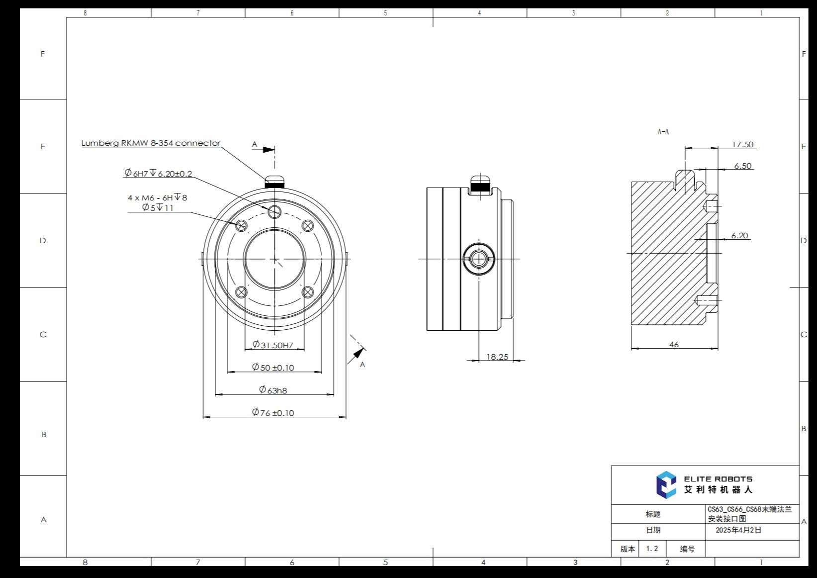
圖紙
-
控制箱/示教器/示教軟件
-
相關資源
-
相關產品
產品參數
-
技術參數
-
關節參數
-
物理參數及認證
-
配件型號
-
名稱 參數 自由度 6 負載 3kg 工作半徑 624mm 重復定位精度 ±0.02mm 典型功耗 185W 安裝方式 任意角度 工具I/O 4xDO/4xDI(可配置) 、1xAI 、1xAO 工具I/O供電 12 V/24 V,3 A (三針模式), 2 A (雙針模式), 1 A (單針模式) 工具通信 RS485
-
關節運動范圍 關節最大速度 基座 ±360° 180°/s 肩部 ±360° 180°/s 肘部 ±360° 230°/s 腕部1 ±360° 230°/s 腕部2 ±360° 230°/s 腕部3 ±360° 230°/s 工具最大速度 2.0m/s 2.0m/s
-
名稱 參數 自重 15kg 底座直徑 Φ128mm IP防護等級 IP68 工作環境溫度 -10℃ ~ 50℃ 工作環境濕度 90%相對濕度(非冷凝) 材料 鋁合金、鋼、塑料、橡膠 標準線纜長度 5.5m 產品認證 ISO 10218-1、ISO 13849、 ISO/TS 15066、RoHS、CE、UL、SEMI、潔凈度ISO CLASS 5
-
名稱 參數 控制箱 ERB2C300 / ERB1C1K0MN / ERB2C300N 示教器 ERP400 全能示教器(選配) ERP400S
