CS620F
-
亮點
-
參數
-
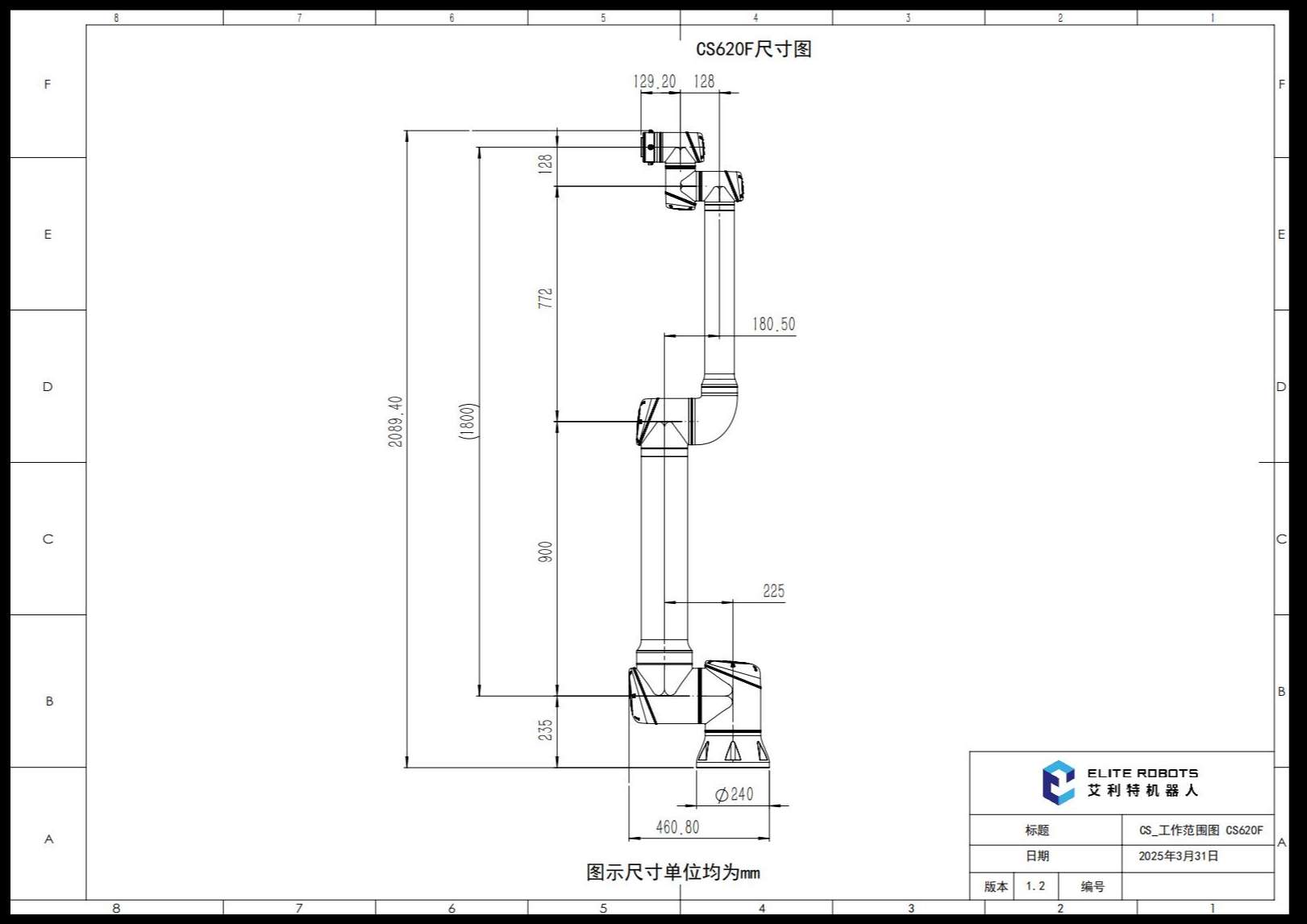
圖紙
-
控制箱/示教器/示教軟件
-
相關資源
-
相關產品
產品參數
-
技術參數
-
關節參數
-
力控參數
-
物理參數
-
配件型號
-
名稱 參數 自由度 6 負載 20kg 工作半徑 1800mm 重復定位精度 ±0.05mm 典型功耗 625W 安裝方式 任意角度 工具I/O 4xDO/4xDI 、1xAI 、1xAO 工具I/O供電 接口1:12V/24V,3A(三針模式),2A(雙針模式),1A(單針模式);接口2:24V,5A 工具通信 RS485、CAN(預留)
-
關節運動范圍 關節最大速度 基座 ±360° 125°/s 肩部 ±360° 125°/s 肘部 ±360° 150°/s 腕部1 ±360° 210°/s 腕部2 ±360° 210°/s 腕部3 ±360° 210°/s 工具最大速度 3.9m/s 3.9m/s
-
力/力矩傳感器 量程 Fxyz=500N,Mxyz=50Nm 準度 5N, 0.5Nm 精度 2N, 0.2Nm 過載能力 400%
-
名稱 參數 自重 60kg 底座直徑 Φ240mm IP防護等級 IP68 工作環境溫度 -10°C~50 ℃ 工作環境濕度 90%相對濕度(非冷凝) 材料 鋁合金、鋼、塑料、橡膠 標準線纜長度 5.5m
-
名稱 參數 控制箱 ERB2C2K0 / ERB2C2K0N / ERB1C4K0MNE 示教器 ERP400 全能示教器(選配) ERP400S
