CS530H
-
亮點
-
參數
-
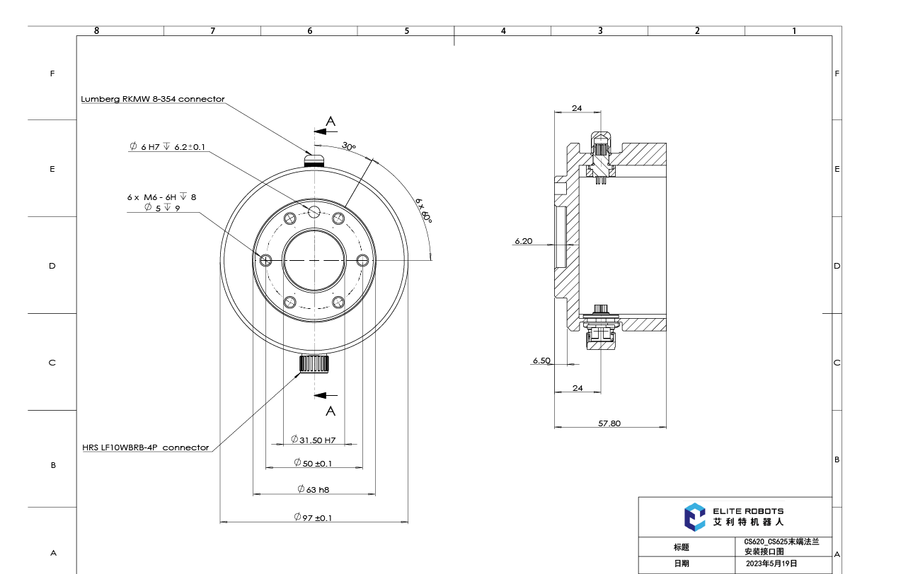
圖紙
-
控制箱/示教器/示教軟件
-
相關資源
-
相關產品
產品參數
-
技術參數
-
關節參數
-
物理參數
-
配件型號
-
名稱 參數 自由度 5 負載 30kg 工作半徑 1522mm 重復定位精度 ±0.05mm 典型功耗 600W 安裝方式 正裝、倒裝 工具I/O 4xDO/4xDI (可配置)、1xAI 、1xAO 工具I/O供電 12 V/24 V,3 A (三針模式), 2 A (雙針模式), 1 A (單針模式) 工具通信 RS485
-
關節運動范圍 關節最大速度 基座 ±360° 125°/s 肩部 ±360° 125°/s 肘部 ±360° 150°/s 腕部1 - - 腕部2 - 210°/s 腕部3 ±360° 210°/s 工具最大速度 4.0m/s 4.0m/s
-
名稱 參數 自重 58kg 底座直徑 Φ240mm IP防護等級 IP68 工作環境溫度 -10°C~50 ℃ 工作環境濕度 90%相對濕度(非冷凝) 材料 鋁合金、鋼、塑料、橡膠 標準線纜長度 5.5m
-
名稱 參數 控制箱 ERB2C2K0 / ERB2C2K0N / ERB1C4K0MNE 示教器 ERP400 全能示教器(選配) ERP400S
