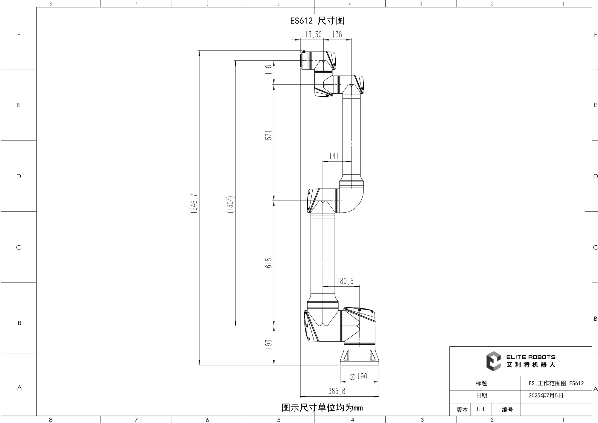
ES612
-
亮點
-
參數
-
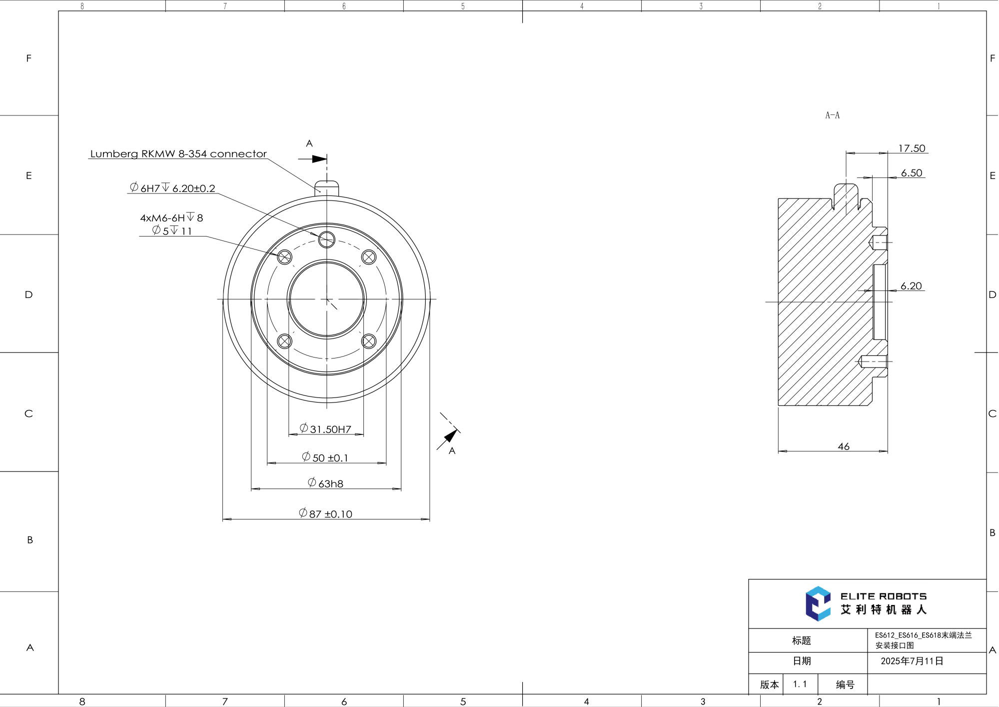
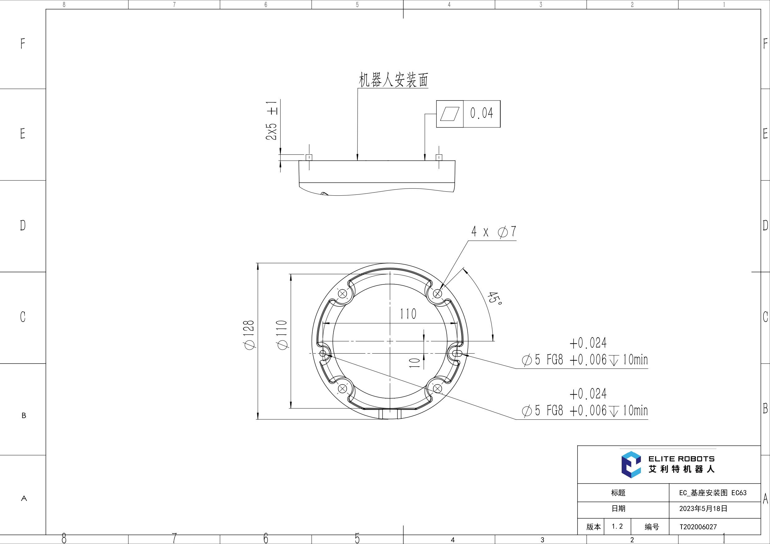
圖紙
-
控制箱/示教器/示教軟件
-
相關資源
-
相關產品
產品參數
-
技術參數
-
關節參數
-
物理參數及認證
-
配件型號
-
名稱 參數 自由度 6 負載 12kg 工作半徑 1304mm 重復定位精度 ±0.03mm 典型功耗 435W 安裝方式 任意角度 工具I/O 2xDI、2xDO(PNP) 工具I/O供電 24V,1.5A 工具通信 RS485
-
關節運動范圍 關節最大速度 基座 ±360° 100°/s 肩部 ±360° 100°/s 肘部 ±360° 127°/s 腕部1 ±360° 153°/s 腕部2 ±360° 153°/s 腕部3 ±360° 153°/s 工具最大速度 2.8m/s 2.8m/s
-
名稱 參數 自重 34kg 底座直徑 Φ128mm IP防護等級 IP67 工作環境溫度 -10℃ ~ 50℃ 工作環境濕度 90%相對濕度(非冷凝) 材料 鋁合金、鋼、塑料、橡膠 標準線纜長度 5.5m -
名稱 參數 控制箱 ERB3C600 MINI控制箱(選配) ERB1C600ME-Min 示教器 ERP500 示教器(選配) ERP500S
